www.RubberMar.com


Support antivibratoire en cloche avec écrou base carrée

Caractéristiques: 

Support antivibratoire en caoutchouc  constitué par une base et une cloche avec écrou en fer zingué avec  anti-arrachage.

Matériau

Caoutchouc 55±5 SH A e Caoutchouc 70±5 SH A

Sur Demande

On peut produire des antivibratoires avec caractéristiques différentes, soit avec vis de mesures différentes, dureté et type de mélange.

Applications

Machines agricoles, moteurs électriques, générateurs, moteurs, compresseurs, systèmes de climatisation, machines outils.

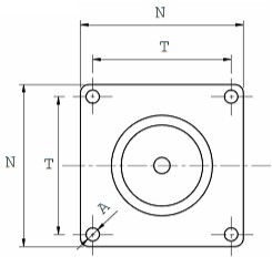
Code

A

H

M

N

O

R

S

T

Hardness

Max compression load

 XBOX

 

mm

mm

mm

mm

mm

mm

mm

mm

SH A

kg

qty

C.100.443.950

12.5

51.5

M16

168

150

110

4

132

55

500

1

C.100.444.950

12.5

51.5

M16

168

150

110

4

132

70

600

1

C.100.445.950

13

63

M20

180

177

125

4

150

55

850

1

Demandez plus d'informations, écrivez-moi!

Contactez nous