www.RubberMar.com


Bell-shaped anti-vibration mount with square based threaded nut

Characteristics:

Rubber anti-vibration mount consisting of a square base and a bell with zinc plated threaded nut.

Material:

Rubber 55±5 SH A and Rubber 70±5 SH A

On Request:

It is possible to produce rubber anti-vibration mounts with various characteristics, Shore A Hardness and type of basic compound.

Applications:

Agricultural machines, electric motors, engine generators, engines, compressors, air conditioning systems, machine tools.

 

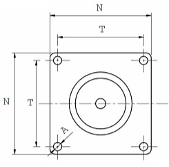
Code

A

H

M

N

O

R

S

T

Hardness

Max compression load

 XBOX

 

mm

mm

mm

mm

mm

mm

mm

mm

SH A

kg

qty

C.100.443.950

12.5

51.5

M16

168

150

110

4

132

55

500

1

C.100.444.950

12.5

51.5

M16

168

150

110

4

132

70

600

1

C.100.445.950

13

63

M20

180

177

125

4

150

55

850

1

Request more information, write me!

Contact us