www.RubberMar.com


Glockenförmige Schwingungsdämpfer  mit Mutter viereckige Fuß mit Zerreißfestigkeit

Eigenschaften: 

Gummi Schwingungsdämpfer stellt ein Fuß und verzinkter Eisen glockenförmige Dämpfer mit Mutter dar.

Werkstoff:

Gummi 55±5 SH A und Gummi 70±5 SH A

Auf Anfrage:

Möglichkeit Schwingungsdämpfer mit verschiedenen Eigenschaften zu herstellen, auch mit verschiedenen Schraubengröße, Härte und Mischungstype. 

Anwendungen:

Landmaschine, elektrische Motoren, Elektroaggregate, Motoren, Kompressor, Klimaanlage, Werkzeugmaschinen.

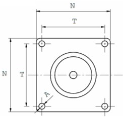
Zerreißfestige
Ausfühung

Code

A

H

M

N

O

R

S

T

Hardness

Max compression load

 XBOX

 

mm

mm

mm

mm

mm

mm

mm

mm

SH A

kg

qty

C.100.446.950

12.5

51.5

M16

168

150

110

4

132

55

500

1

C.100.447.950

13

63

M20

180

177

125

4

150

55

850

1

Mehr Informationen, schreiben Sie mir!

Kontaktiere uns